Warning: SessionHandler::read(): open(/var/www/100500kotlov.ru/data/mod-tmp/sess_2b4ec37050bc830322f71645be554360, O_RDWR) failed: No space left on device (28) in /var/www/100500kotlov.ru/data/www/kotlom.ru/vendor/symfony/http-foundation/Session/Storage/Proxy/SessionHandlerProxy.php on line 59
Вентилятор ВДН-15-1000 купить в Якутске | Цена производителя
В наличии на складе

Вентилятор ВДН-15-1000

Цена
Цена по запросу
Доставляем Вентиляторы промышленные
в г. Якутск

Кратко о характеристиках

Характеристики отсутствуют

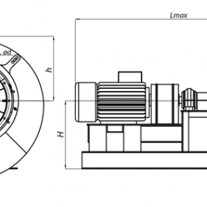
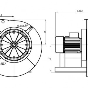
Дутьевой вентилятор ВДН-15-1000 в Якутске как правило, работают в паре с дымоходом. Обеспечивают воздухоподачу в топки стационарных котельных оборудований. Обладают высоким КПД.

Характеристики

Производительность, м³/ч
50000
Полное давление, Па
3700
Масса, кг
2513
Двигатель, мощность, кВт; частота вращения, об/мин
А280S6
Мощность/Частота вращения, кВт/об мин
75/1000
Цена, руб.
Серия
ВДН
Исполнение Одностороннее всасывание
Тип вентилятора Дутьевой, Улитка, Радиальный
Как все происходит
на видео
Смотреть видео галерею
Возникли
вопросы?
Закажите консультацию
Или позвоните
8 (800) 551-45-60
Ответим на вопросы
Расскажем о скидках
Презентуем товар
Поможем выбрать
Доставляем Вентиляторы промышленные
в г. Якутск

Описание товара

Основные составляющие дутьевого вентилятора ВДН-15-1000: ходовой части, корпус-улитка, всасывающие и нагнетательные трубки, рабочее колесо и направляющий аппарат. Стимуляция топливного сгорания происходит за счет притока воздуха по трубкам. Как правило, эти вентиляторы применяются в котельных на электрических и тепловых станциях.

Условное обозначения

  • В — вентилятор;
  • Д — дутьевой;
  • Н — лапки загнуты назад;
  • * — величина рабочего колеса в диаметре.

Особые требования к эксплуатации

  • Эксплуатация в условиях умеренного климата (по ГОСТу);
  • Оптимальная температура при эксплуатации: от -30 до +40 °С;
  • Обладает только односторонним всасыванием;
  • Изделие имеет спиралевидную форму;
  • Двигатель имеет двустороннюю перспективу вращения.

Применение

Вентилятор ВДН-15-1000 может быть установлен как в помещении, так и на открытом воздухе, в условиях умеренного климата. Нужно добавить, что дутьевые агрегаты подлежат эксплуатации в определенных климатических условиях. Важно, что температура не должна заходить за рамки от -30 до +40 градусов. Так же, для слаженной работы механизма, при монтаже, необходимо придерживаться определенной технологической последовательности.

Комплектация

Вентилятор ВДН-15-1000 поставляется как самостоятельный товар в полной заводской сборке вместе с электроприводом.

Следите за новостями в социальных сетях
Наши цифры
скажут за нас все
10
Срок эксплуатации оборудования – более десяти лет
20
Двадцать лет
трудимся для вас
10
Меньше десяти дней
на изготовление товара
500
Более пятисот
точек поставки
Вы смотрели